1.引言
钢铁生产企业是国民经济生产中的能源消耗大户,钢铁行业已被列为国家节约资源的重点领域之一。在当前国内外能源供需矛盾突出的情况下,钢铁生产企业亟待通过各种途径降低能耗,以获得最佳的经济效益和劳动生产率。
例如,在烧结矿的生产中,仅电动机负载电耗就占能源总成本的20%以上,而拖动风机所用的高压电机在电机中占有相当大的比重,对于一条烧结生产线而言,其25%~30%的电能需用于拖动各种类型的风机运行,因此,做好风机的降耗增效工作迫在眉睫。
烧结主抽风机往往采用大功率同步电机驱动。早期同步机起动方式多为水电阻起动,这种起动和调节方式存在诸多问题,例如启动电流大、重载下容易产生失步、电能浪费严重等;同时,出于安全稳定性考虑,烧结系统本身在设计之初,就对风机设备有较大设计裕量,导致目前很多烧结厂风机“大马拉小车”现象严重。
由于工况、产量的变化,系统所需风量也随之变化,但大部分风机仍采用传统调节方式,即调节进、出风口阀门的开度,而该方法以增加风阻、牺牲风机的效率来达到目的,能量损耗严重。因此,对烧结主抽配套的大功率高压同步电机进行变频改造势在必行。

图1 烧结主抽现场
2.技术方案
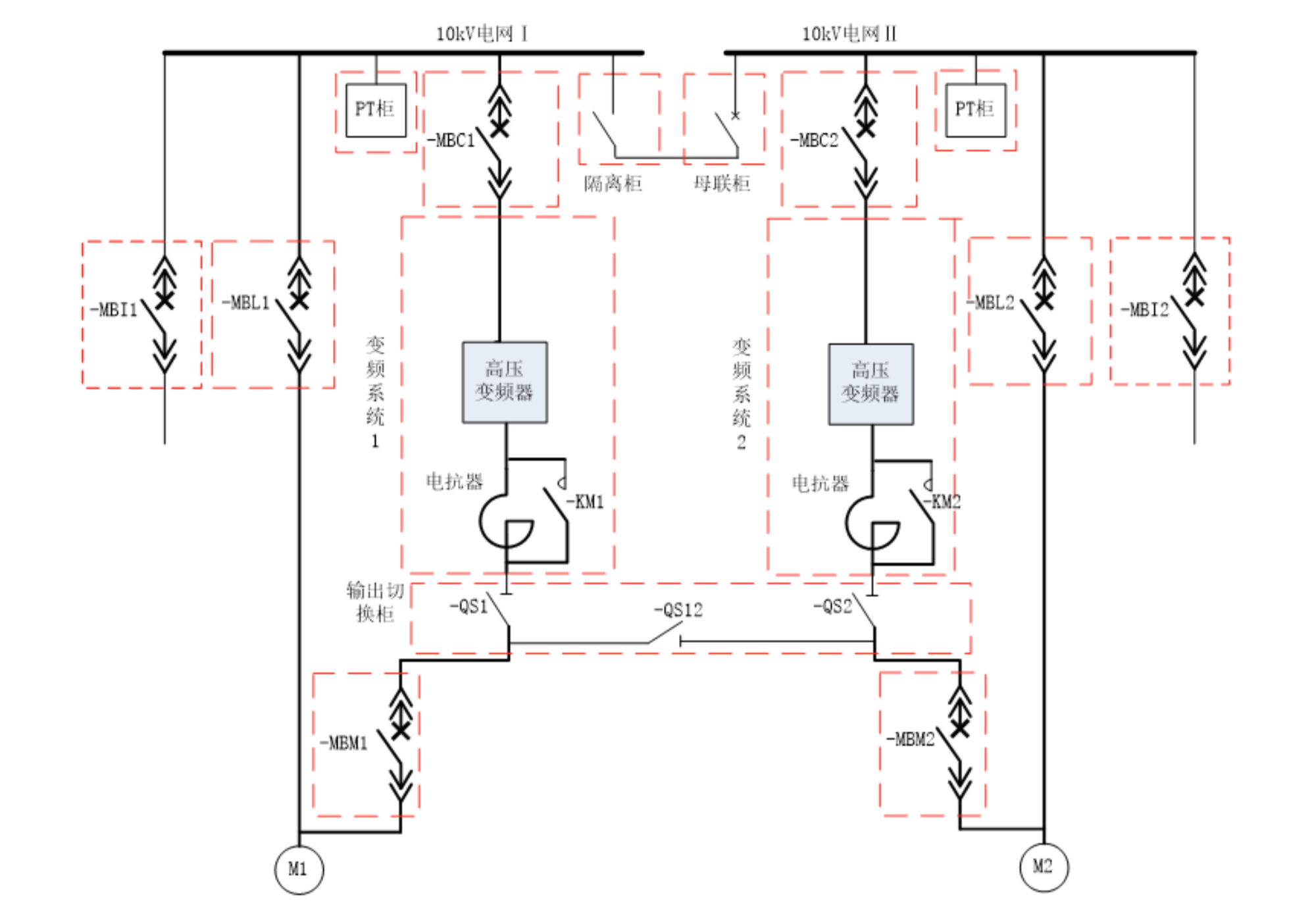
凭借产品在冶金行业烧结主抽风机的多年应用经验,能传电气对某钢厂烧结主抽系统进行改造。该项目238㎡烧结机配置两台主抽风机,10kV/4600kW同步电机。主抽风机原起动方式为液阻起动,工频运行,通过调节主抽风机入口百叶风门开度满足工艺对风箱负压、风量的需求,以达到稳定生产的目的。本次改造将原有2台一拖一液阻起动装置拆除,改为两台变频器调速运行,实现变频器软起+变频调速二拖二互为备用手动切换。其一次系统如下图所示:

图2 变频器一次系统图
工作模式:
(1)当烧结机满负荷生产时,烧结风机满转速运行,变频器起动各自所对应的电机,操作如下(以#1变频器起动1#电机为例):
① 控制系统选择定速运行,MBL1处于分闸状态;
② 变频器输入侧高压开关MBC1和变频器输出侧高压开关MBM1处于分闸状态,隔离开关QS1处于合闸状态,隔离开关QS12处于分闸状态;
③ 限流电抗器旁路开关处于分闸状态禁止合闸;
④ 闭合启动变频器输入侧开关MBC1;
⑤ 闭合启动变频器输出侧开关MBM1;
⑥ 在风机风门关闭状态下起动电机至额定转速,当变频器的输出电压与电网电压幅值、频率、相位满足并网要求时,闭合MBL1,封锁变频器触发脉冲,断开MBM1,然后断开MBC1;
⑦ 电机和烧结风机完成起动并已在线工频运行。
2#电机以同样的方式起动和并网。
(2)当一台变频器处于维护或故障状态时,用另一台变频器起动2台电机并切换至工频运行。操作如下(以1#变频器起动2#电机为例):
① 控制系统选择工频运行,MBL2处于分闸状态;
② 选择起动1#变频器;
③ 选择起动2#电机;
④ 变频器输出侧开关MBM1处于分闸状态,隔离开关QS2处于分闸状态,QS1、QS12处于合闸状态;
⑤ 限流电抗器旁路开关处于分闸状态禁止合闸;
⑥ 合变频器输入侧高压开关MBC1和输出侧高压开关MBM2;
⑦ 在风机风门关闭状态下起动电机至额定转速,当变频器的输出与电网一致时,闭合MBL2,封闭变频器触发脉冲,断开MBM2,然后断开MBC1;
⑧ 2#电机和烧结风机已由1#变频器完成起动在线工频运行。
3.基本配置
根据电机和负载参数要求,能传电气配套的高压变频器基本参数如下:

现场电机参数表如下:

4.现场变频功能
4.1 励磁同步电机控制技术
采用高性能矢量控制方式,实现对电机转矩和磁通的解耦控制,达到对同步电机励磁电流和转矩电流的精确控制。同步电机采用磁场定向矢量控制策略,控制系统采用速度环和电流环双闭环结构,电流环采用PI调节器,实现简单,并能获得较好的电流跟踪性能。速度环采用PI调节器,有效限制动态响应的超调量,加快响应速度。
4.2 同步电机转子初始位置检测
能传电气高压变频器在启动同步电机前,通过转子加激励信号,利用电机数学模型,实现转子位置检测,该技术实现同步电动机静止初始位置检测精度误差<3°,变频器输出电压的初始电压矢量角度由转子位置角开始,可避免启动的反转、过流。
4.3 无扰动变频软起、软停控制
变频配置软起动功能,具备无扰动上/下切换技术,变频器全数字控制系统集成同期并网功能,利用变频器内置的输入输出电压电子式检测装置,无需外部PT和同期继电器,大幅提升可靠性和并网成功率。
4.4 低电压穿越(LVRT)
NC HVVF系列高压变频器内置先进的、提高装置连续运行能力的低电压穿越技术,可最大程度地应对供电质量问题,尽可能保证设备不受外部干扰,保障生产连续性。
4.5 飞车起动
为了适应电网波动大、现场主动力电源母线段切换的要求,系统提供旋转中再起动功能。在起动旋转中的电机时,变频器可自动搜索跟踪电动机转速,按照设定加减速时间恢复正常运行状态,保障机组安全运行不跳闸。

图3 飞车起动逻辑功能图
5.改造后的效果
本次改造,满足了烧结主抽短时停产不停机的使用要求:当现场其他设备短期故障停机时间小于3小时,电机可通过变频器降频低转速运行,可将频率降至25Hz或更低。此期间风机节电率得到最大化。
优化了烧结的生产工艺:烧结过程需准确控制烧结的风量、真空度、料层厚度、机速和烧结终点,同时满足上述几点方可保证烧结成品料的品质。采用变频运行的调节方式,根据料层厚度及机速情况,通过控制变频器调节风量及真空度(主要指压力,其主要受料层厚度及料的粗细程度影响。粗料穿透力强,压力需求小;细料穿透力差,压力需求大),找到最佳工作点,并留有一定余量。既满足实际生产工艺的要求,又能实现最大限度的节能,达到了保产增效的目的。
大幅度降低了发生风管变形及漏风的概率,提高了风道的安全性:通过变频器将烧结主抽风机运行在最佳工作点上,避免对风管造成的过大压力而导致的风道塌陷、变形等事故,降低维护人员的工作量和工作风险。
变频器同时提供软起动功能:通过变频器软起动电机,可将电机启动电流控制在额定电流以下,采用高压预充电方案以及电抗器同步并网无扰切换技术,实现真正意义上的无冲击平滑起动。
改造后,通过变频器调速运行,节能效果显著。本次项目改造,为企业节约了海量电费,降低了生产成本,提高了生产效率,在创造较大的经济效益的同时,带来良好的社会效益。同时,风机设备实现了软起,明显解决了启动电流大、重载失步、维护费用高等问题。
能传电气始终以用户需求为中心,在冶金行业烧结主抽改造项目中为用户提供了多种形式的技术改造方案,包括一拖一变频软起动、二拖二变频调速自动互备切换、变频器与固态软起动(或液阻起动)互备等多种应用方案,为企业降本增效及工艺控制改善提供了重要技术支撑。
©上海能传电气有限公司沪ICP备2021021924号